DNM系列
特征
贯通形陶瓷电容,大容量多层陶瓷电容及阻抗元素有效复合的高性能的电源线用块形EMI过滤器。因为内部没有连接点,额定电流大,可用于15A的DC线上。在直流电源线上,可以只用一个模块很好的对应正负两线。此外,在宽频带内上产生较大插入损失特性的构造。
用途
工业用电子机器,电脑及周边机器的DC电源线
等价电路

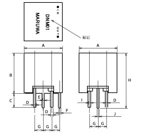
尺寸
-
-
形式 A B C D E F G H I J DNM01-S 11.5±0.2 12.0±0.5 4.5±0.1 0.8 0.7 0.7±0.1 2.5±0.2 16.6±0.5 0.8±0.1 0.6±0.1 DNM02-S 11.5±0.2 12.0±0.5 4.5±0.1 0.8 0.7 0.7±0.1 2.5±0.2 16.6±0.5 0.8±0.1 0.6±0.1 DNM03-S 11.5±0.2 12.0±0.5 4.5±0.1 1.0 0.7 0.7±0.1 2.5±0.2 16.6±0.5 1.0±0.1 0.6±0.1
相关信息
-
查看产品相关信息
-
品种一览脏及插入损失特性
-
使用上的注意事项