电子元件/组件

PLE系列(馈通型陶瓷电容)

PLE系列(馈通型陶瓷电容)

特征


贯通形陶瓷电容 PLE系列
微波介质陶瓷和多层电极构造,残留阻抗几乎没有,自共振频点在微波频域,可以很好的滤除超高频域的噪声。由于焊接及过度温度循环等造成的特性变化小,可以埋在端子排内使用。如果和金属壳连接使用,可以同时做到屏蔽噪声和传导滤波的效果。高性能EMC对策品。

用途


微波机器,通信机器的高频率EMI对策

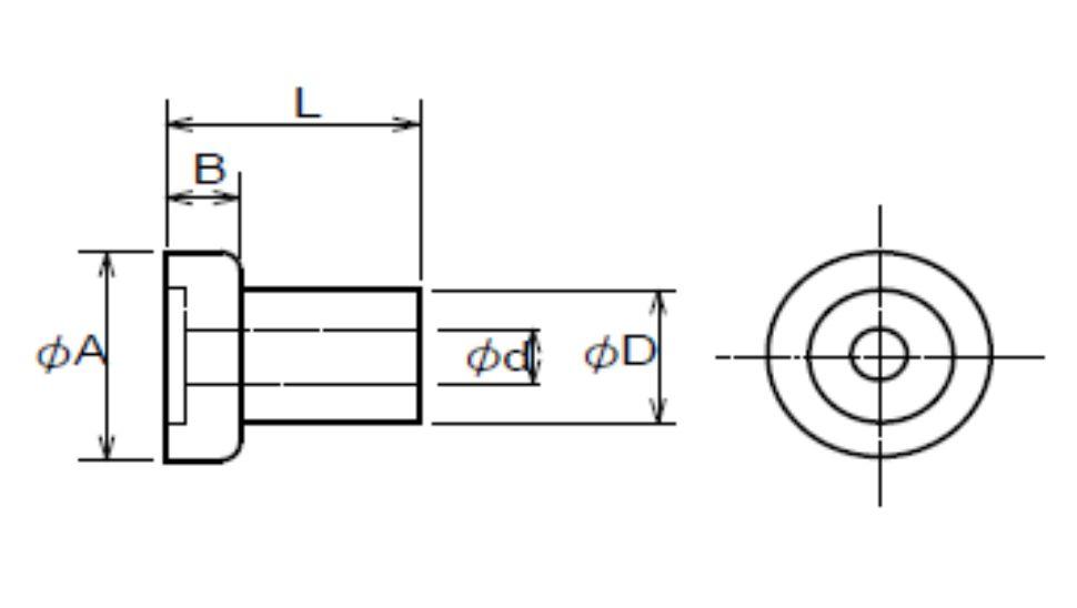
尺寸


  • 仅电容

    单位: ㎜
    形式 A D d B L
    PLE123 1.85±0.1 1.45±0.1 0.7±0.1 0.5±0.2 2.0max.
    PLE123 2.3±0.2 1.9±0.1 0.9±0.1 0.5±0.2 1.5±0.3
    PLE22 2.3±0.2 1.9±0.1 0.9±0.1 0.5±0.2 2.4±0.3
    PLE32 2.3±0.2 1.9±0.1 0.9±0.1 0.5±0.2 3.5±0.3
    PLE255 2.8±0.15 2.4±0.1 1.3±0.1 0.8±0.3 4.0±0.5
    PLE23 4.3±0.2 3.0±0.2 1.5±0.1 1.0±0.2 2.5±0.3
    PLE33 4.3±0.2 3.0±0.2 1.5±0.1 1.0±0.2 3.5±0.3
    PLE335 4.3±0.2 3.5±0.2 1.5±0.1 1.0±0.2 3.5±0.3

    ※PLE 123可用于2 ㎜间距的穿芯电容使用。

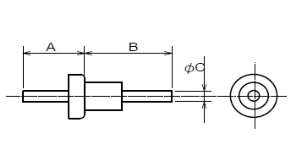
    中端子品

    单位: ㎜
    形式 A B Φc 适应主体形状
    XN 12.5±1.0 15.5±1.0 Φ0.65 PLE123
    KN 5.0±1.0 10.0±1.0 Φ0.65 PLE123
    TN 13.0±1.0 15.0±1.0 Φ0.80 PLE12,22,32
    FU 10.0±1.0 10.0±1.0 Φ0.80 PLE12,22,32
    AQ 8.0±1.0 21.0±1.0 Φ1.00 PLE255
    AR 8.0±1.0 15.0±1.0 Φ1.00 PLE255
    AB 8.0±1.0 7.0±1.0 Φ1.20 PLE23,33,335

    ※为了适应焊接需要,中间部分镀锡。(PLE23,33,335系列)(特殊记号SDA)

名称结构


问关于产品的询问 关于技术的询问